Expanderskruv, 3DG ytbehandlad
Kraftig expanderskruv för medelhöga laster i storlekarna M6-M20. Option 7 klassad för montage i osprucken betong C20/25 - C50/60. 3DG ytbehandling för utomhusbruk.
Produktinformation
Egenskaper
Material
- Stål
- 3DG ytbehandling med matt yta
- Clips i rostfritt stål A4
Fördelar
- Brett sortiment
- Enkel installation
- För utomhusmiljöer
- Kallformat stål
- Godkänd för reducerade sättdjup
- Clips med hullingar som förhindrar glidning vid montage
Applikationer
Användningsområden
- Räcken
- Metall- och träkonstruktioner
- Fasader
Lämplig för
- Osprucken betong
- Sten
Teknisk data
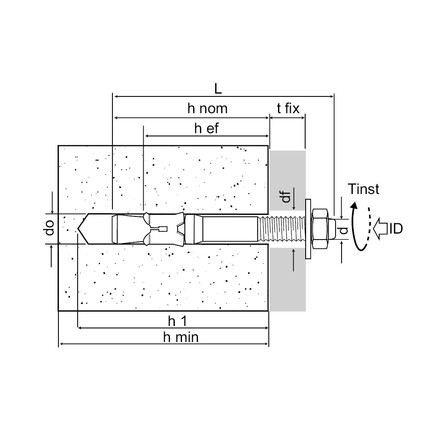
Product dimensions
| Art. nr. | Produktreferens | NOBB nr. [NOBB nr.] | Dimensions [ØxL] [mm] | Thread length | Fästdonets tjocklek [tfix,max] med standardinställningsdjup [hef,STD] [mm] | Fixturens tjocklek [tfix,max] med reducerat sättningsdjup [hef,RED] [mm] | Håldiameter i fästdon [df] [mm] | Hålets diameter [do] x djup [h1] i underlag [mm] | Min. stödtjocklek [hmin] [mm] | Min. infästningsdjup [hef] [mm] | Installation torque [Tinst] [Nm] | Qty per box | Antal per ytterförpackning | Vikt [kg] |
|---|---|---|---|---|---|---|---|---|---|---|---|---|---|---|
| 75320C0805000 | FM-753 3DG | 60743097 | M8x50* | 23 | - | 5 | 9 | 8x50 | 100 | 30 | 15 | 100 | 1000 | 0.023 |
| 75320C0806500 | 60743070 | M8x65 | 38 | 7 | (15) | 9 | 8x60 | 100 | 40 | 15 | 100 | 1000 | 0.027 | |
| 75320C0807500 | 60743098 | M8x75 | 48 | 15 | (25) | 9 | 8x60 | 100 | 40 | 15 | 100 | 400 | 0.03 | |
| 75320C0809000 | 60743071 | M8x90 | 63 | 30 | (40) | 9 | 8x60 | 100 | 40 | 15 | 100 | 400 | 0.035 | |
| 75320C0811500 | 60743099 | M8x115 | 83 | 55 | (65) | 9 | 8x60 | 100 | 40 | 15 | 100 | 400 | 0.043 | |
| 75320C1006000 | 60743100 | M10x60* | 28 | - | 5 | 12 | 10x55 | 100 | 35 | 25 | 50 | 500 | 0.045 | |
| 75320C1007500 | 60743072 | M10x75 | 43 | 5 | (20) | 12 | 10x70 | 100 | 50 | 25 | 50 | 500 | 0.052 | |
| 75320C1009000 | 60743073 | M10x90 | 55 | 20 | (35) | 12 | 10x70 | 100 | 50 | 25 | 50 | 200 | 0.059 | |
| 75320C1010000 | 60743101 | M10x100 | 60 | 30 | (45) | 12 | 10x70 | 100 | 50 | 25 | 50 | 200 | 0.064 | |
| 75320C1012000 | 60743102 | M10x120 | 85 | 50 | (65) | 12 | 10x70 | 100 | 50 | 25 | 50 | 200 | 0.074 | |
| 75320C1014500 | 60743103 | M10x145 | 85 | 75 | (90) | 12 | 10x70 | 100 | 50 | 25 | 50 | 200 | 0.088 | |
| 75320C1208000 | 60743104 | M12x80* | 40 | - | 7 | 14 | 12x70 | 100 | 45 | 50 | 50 | 200 | 0.081 | |
| 75320C1211000 | 60743074 | M12x110 | 68 | 20 | (35) | 14 | 12x85 | 120 | 60 | 50 | 50 | 200 | 0.098 | |
| 75320C1213500 | 60743105 | M12x135 | 93 | 45 | (60) | 14 | 12x85 | 120 | 60 | 50 | 25 | 100 | 0.12 | |
| 75320C1216000 | 60743106 | M12x160 | 93 | 70 | (85) | 14 | 12x85 | 120 | 60 | 50 | 25 | 100 | 0.14 | |
| 75320C1218500 | 60743075 | M12x185 | 93 | 100 | (115) | 14 | 12x85 | 120 | 60 | 50 | 25 | 100 | 0.15 | |
| 75320C1611000 | 60743107 | M16x110* | 53 | - | 15 | 18 | 16x95 | 130 | 65 | 100 | 20 | 80 | 0.19 | |
| 75320C1614500 | 60743076 | M16x145 | 88 | 30 | (50) | 18 | 16x115 | 170 | 85 | 100 | 20 | 80 | 0.24 | |
| 75320C1617500 | 60743108 | M16x175 | 88 | 60 | (80) | 18 | 16x115 | 170 | 85 | 100 | 20 | 60 | 0.29 |
* Short series with reduced embedment depth
Konstruktionskapacitet – enkel förankring – inga kantavstånd
| Art. nr. | Dimensions [ØxL] [mm] | Produktreferens | Konstruktionskapacitet – enkel förankring – inga kantavstånd | ||||||||
|---|---|---|---|---|---|---|---|---|---|---|---|
| Dimensioneringskapacitet – icke-sprickbildad betong (3) | |||||||||||
| Spänning - NRd (1) | Skärkraft - VRd (1-2) | Böjmoment MRd [Nm] | |||||||||
| C20/25 [kN] | C30/37 [kN] | C40/50 [kN] | C50/60 [kN] | C20/25 [kN] | C30/37 [kN] | C40/50 [kN] | C50/60 [kN] | ||||
| 75320C0805000 | M8x50* | FM-753 3DG | 4 | - | - | - | 4.3 | - | - | - | - |
| 75320C0806500 | M8x65 | FM-753 3DG | 8 | - | - | - | 5.4 | - | - | - | - |
| 75320C0807500 | M8x75 | FM-753 3DG | 8 | - | - | - | 6.1 | - | - | - | - |
| 75320C0809000 | M8x90 | FM-753 3DG | 8 | - | - | - | 6.1 | - | - | - | - |
| 75320C0811500 | M8x115 | FM-753 3DG | 8 | - | - | - | 6.1 | - | - | - | - |
| 75320C1006000 | M10x60* | FM-753 3DG | 4 | - | - | - | 8.3 | - | - | - | - |
| 75320C1007500 | M10x75 | FM-753 3DG | 8 | - | - | - | 9.3 | - | - | - | - |
| 75320C1009000 | M10x90 | FM-753 3DG | 8 | - | - | - | 9.3 | - | - | - | - |
| 75320C1010000 | M10x100 | FM-753 3DG | 8 | - | - | - | 9.3 | - | - | - | - |
| 75320C1012000 | M10x120 | FM-753 3DG | 8 | - | - | - | 9.3 | - | - | - | - |
| 75320C1014500 | M10x145 | FM-753 3DG | 8 | - | - | - | 9.3 | - | - | - | - |
| 75320C1208000 | M12x80* | FM-753 3DG | 8 | - | - | - | 9.9 | - | - | - | - |
| 75320C1211000 | M12x110 | FM-753 3DG | 15.2 | - | - | - | 13.4 | - | - | - | - |
| 75320C1213500 | M12x135 | FM-753 3DG | 15.2 | - | - | - | 13.4 | - | - | - | - |
| 75320C1216000 | M12x160 | FM-753 3DG | 15.2 | - | - | - | 13.4 | - | - | - | - |
| 75320C1218500 | M12x185 | FM-753 3DG | 15.2 | - | - | - | 13.4 | - | - | - | - |
| 75320C1611000 | M16x110* | FM-753 3DG | 17.2 | - | - | - | 28.4 | - | - | - | - |
| 75320C1614500 | M16x145 | FM-753 3DG | 23.3 | - | - | - | 28.4 | - | - | - | - |
| 75320C1617500 | M16x175 | FM-753 3DG | 23.3 | - | - | - | 28.4 | - | - | - | - |
1. The design loads loads have been calculated using the partial safety factors for resistances stated in ETA-approval(s). The loading figures are valid for unreinforced concrete and reinforced concrete with a rebar spacing s ≥ 15 cm (any diameter) or with a rebar spacing s ≥ 10 cm, if the rebar diameter is 10mm or smaller.
2. The figures for shear are based on a single anchor without influence of concrete edges. For anchorages close to edges (c ≤ max [10 hef; 60d]) the concrete edge failure shall be checked per ETAG 001, Annex C, design method A.
3. Concrete is considered non-cracked when the tensile stress within the concrete is\sigmaL +\sigmaR ≤ 0. In the absence of detailed verification\sigmaR = 3 N/mm² can be assumed (\sigmaL equals the tensile stress within the concrete induced by external loads, anchors loads included).
*Short series with reduced embedment depth
Rekommenderade kapaciteter – enkel förankring – inga kantavstånd
| Art. nr. | Produktreferens | Dimensions [ØxL] [mm] | Rekommenderade laster – Icke sprucken betong | ||||||||
|---|---|---|---|---|---|---|---|---|---|---|---|
| Spänning - Nzul | Skärning - Vzul | Böjmoment Mzul [Nm] | |||||||||
| C20/25 [kN] | C30/37 [kN] | C40/50 [kN] | C50/60 [kN] | C20/25 [kN] | C30/37 [kN] | C40/50 [kN] | C50/60 [kN] | ||||
| 75320C0805000 | FM-753 3DG | M8x50* | - | - | - | - | - | - | - | - | - |
| 75320C0806500 | FM-753 3DG | M8x65 | 5.7 | 6.1 | 6.5 | 6.8 | 4.4 | 4.4 | 4.4 | 4.4 | 11.4 |
| 75320C0807500 | FM-753 3DG | M8x75 | 5.7 | 6.1 | 6.5 | 6.8 | 4.4 | 4.4 | 4.4 | 4.4 | 11.4 |
| 75320C0809000 | FM-753 3DG | M8x90 | 5.7 | 6.1 | 6.5 | 6.8 | 4.4 | 4.4 | 4.4 | 4.4 | 11.4 |
| 75320C0811500 | FM-753 3DG | M8x115 | 5.7 | 6.1 | 6.5 | 6.8 | 4.4 | 4.4 | 4.4 | 4.4 | 11.4 |
| 75320C1006000 | FM-753 3DG | M10x60* | - | - | - | - | - | - | - | - | - |
| 75320C1007500 | FM-753 3DG | M10x75 | 5.7 | 6.3 | 6.8 | 7.4 | 6.6 | 6.6 | 6.6 | 6.6 | 23.3 |
| 75320C1009000 | FM-753 3DG | M10x90 | 5.7 | 6.3 | 6.8 | 7.4 | 6.6 | 6.6 | 6.6 | 6.6 | 23.3 |
| 75320C1010000 | FM-753 3DG | M10x100 | 5.7 | 6.3 | 6.8 | 7.4 | 6.6 | 6.6 | 6.6 | 6.6 | 23.3 |
| 75320C1012000 | FM-753 3DG | M10x120 | 5.7 | 6.3 | 6.8 | 7.4 | 6.6 | 6.6 | 6.6 | 6.6 | 23.3 |
| 75320C1014500 | FM-753 3DG | M10x145 | 5.7 | 6.3 | 6.8 | 7.4 | 6.6 | 6.6 | 6.6 | 6.6 | 23.3 |
| 75320C1208000 | FM-753 3DG | M12x80* | - | - | - | - | - | - | - | - | - |
| 75320C1211000 | FM-753 3DG | M12x110 | 11.2 | 12.3 | 13.4 | 14.6 | 9.6 | 9.6 | 9.6 | 9.6 | 34.3 |
| 75320C1213500 | FM-753 3DG | M12x135 | 11.2 | 12.3 | 13.4 | 14.6 | 9.6 | 9.6 | 9.6 | 9.6 | 34.3 |
| 75320C1216000 | FM-753 3DG | M12x160 | 11.2 | 12.3 | 13.4 | 14.6 | 9.6 | 9.6 | 9.6 | 9.6 | 34.3 |
| 75320C1218500 | FM-753 3DG | M12x185 | 11.2 | 12.3 | 13.4 | 14.6 | 9.6 | 9.6 | 9.6 | 9.6 | 34.3 |
| 75320C1611000 | FM-753 3DG | M16x110* | - | - | - | - | - | - | - | - | - |
| 75320C1614500 | FM-753 3DG | M16x145 | 16.7 | 18.4 | 20 | 21.7 | 20.3 | 20.3 | 20.3 | 20.3 | 91.9 |
| 75320C1617500 | FM-753 3DG | M16x175 | 16.7 | 18.4 | 20 | 21.7 | 20.3 | 20.3 | 20.3 | 20.3 | 91.9 |
1) In case of interaction of tension and shear loads (lever arm) as well as in case of anchor groups and/or edge influence, a design according to ETAG 001, Annex C, Design Method A (Aug. 2010) or
CEN/TS 1992-4-4 shall be carried out taking into account the entire European Technical Assessment ETA-13/0367.
2) The load data take into account the partial safety factors of the resistances given in the European Technical Assessment ETA-13/0367 and a partial safety factor of the
The values given assume unreinforced or normally reinforced concrete with a spacing of the reinforcing bars s ≥ 15 cm or s ≥ 10 cm with a diameter of the reinforcing bars ds ≥ 15 cm.
rebar diameter ds ≤ 10 mm.
Montage
Montage
Avstånd och kantavstånd
| Art. nr. | Avstånd och kantavstånd | |||||
|---|---|---|---|---|---|---|
| Produktreferens | Dimensions [ØxL] [mm] | Min. edge distance [cmin] [mm] | Min. spacing [smin] [mm] | Karakteristiskt avstånd (5) - Scr,N [scr,N] [mm] | Characteristic edge distance [ccr,N] [mm] | |
| 75320C0805000 | FM-753 3DG | M8x50* | 45 | 45 | 90 | 45 |
| 75320C0806500 | FM-753 3DG | M8x65 | 55 | 55 | 120 | 60 |
| 75320C0807500 | FM-753 3DG | M8x75 | 55 | 55 | 120 | 60 |
| 75320C0809000 | FM-753 3DG | M8x90 | 55 | 55 | 120 | 60 |
| 75320C0811500 | FM-753 3DG | M8x115 | 55 | 55 | 120 | 60 |
| 75320C1006000 | FM-753 3DG | M10x60* | 50 | 50 | 105 | 55 |
| 75320C1007500 | FM-753 3DG | M10x75 | 55 | 55 | 150 | 75 |
| 75320C1009000 | FM-753 3DG | M10x90 | 55 | 55 | 150 | 75 |
| 75320C1010000 | FM-753 3DG | M10x100 | 55 | 55 | 150 | 75 |
| 75320C1012000 | FM-753 3DG | M10x120 | 55 | 55 | 150 | 75 |
| 75320C1014500 | FM-753 3DG | M10x145 | 55 | 55 | 150 | 75 |
| 75320C1208000 | FM-753 3DG | M12x80* | 80 | 120 | 135 | 80 |
| 75320C1211000 | FM-753 3DG | M12x110 | 90 | 90 | 180 | 90 |
| 75320C1213500 | FM-753 3DG | M12x135 | 90 | 90 | 180 | 90 |
| 75320C1216000 | FM-753 3DG | M12x160 | 90 | 90 | 180 | 90 |
| 75320C1218500 | FM-753 3DG | M12x185 | 90 | 90 | 180 | 90 |
| 75320C1611000 | FM-753 3DG | M16x110* | 100 | 140 | 195 | 100 |
| 75320C1614500 | FM-753 3DG | M16x145 | 130 | 130 | 255 | 130 |
| 75320C1617500 | FM-753 3DG | M16x175 | 130 | 130 | 255 | 130 |
* Not included in the approval
Installation data
| Art. nr. | Installationsdata | ||||||||
|---|---|---|---|---|---|---|---|---|---|
| Produktreferens | Dimensions [ØxL] [mm] | Ø borrhål [d0] [mm] | Min. borrdjup [h1] [mm] | Ø borrfixtur [df] [mm] | Wrench size [SW] [mm] | Installation torque [Tinst] [Nm] | Embedment depth [hef] [mm] | Min. stödtjocklek [hmin] [mm] | |
| 75320C0805000 | FM-753 3DG | M8x50* | 8 | 50 | 9 | 13 | 15 | 30 | 100 |
| 75320C0806500 | FM-753 3DG | M8x65 | 8 | 60 | 9 | 13 | 15 | 40 | 100 |
| 75320C0807500 | FM-753 3DG | M8x75 | 8 | 60 | 9 | 13 | 15 | 40 | 100 |
| 75320C0809000 | FM-753 3DG | M8x90 | 8 | 60 | 9 | 13 | 15 | 40 | 100 |
| 75320C0811500 | FM-753 3DG | M8x115 | 8 | 60 | 9 | 13 | 15 | 40 | 100 |
| 75320C1006000 | FM-753 3DG | M10x60* | 10 | 55 | 12 | 17 | 25 | 35 | 100 |
| 75320C1007500 | FM-753 3DG | M10x75 | 10 | 70 | 12 | 17 | 25 | 50 | 100 |
| 75320C1009000 | FM-753 3DG | M10x90 | 10 | 70 | 12 | 17 | 25 | 50 | 100 |
| 75320C1010000 | FM-753 3DG | M10x100 | 10 | 70 | 12 | 17 | 25 | 50 | 100 |
| 75320C1012000 | FM-753 3DG | M10x120 | 10 | 70 | 12 | 17 | 25 | 50 | 100 |
| 75320C1014500 | FM-753 3DG | M10x145 | 10 | 70 | 12 | 17 | 25 | 50 | 100 |
| 75320C1208000 | FM-753 3DG | M12x80* | 12 | 70 | 14 | 19 | 50 | 45 | 100 |
| 75320C1211000 | FM-753 3DG | M12x110 | 12 | 85 | 14 | 19 | 50 | 60 | 120 |
| 75320C1213500 | FM-753 3DG | M12x135 | 12 | 85 | 14 | 19 | 50 | 60 | 120 |
| 75320C1216000 | FM-753 3DG | M12x160 | 12 | 85 | 14 | 19 | 50 | 60 | 120 |
| 75320C1218500 | FM-753 3DG | M12x185 | 12 | 85 | 14 | 19 | 50 | 60 | 120 |
| 75320C1611000 | FM-753 3DG | M16x110* | 16 | 95 | 18 | 24 | 100 | 65 | 130 |
| 75320C1614500 | FM-753 3DG | M16x145 | 16 | 115 | 18 | 24 | 100 | 85 | 170 |
| 75320C1617500 | FM-753 3DG | M16x175 | 16 | 115 | 18 | 24 | 100 | 85 | 170 |