TRZ

Självborrande plugg för gipsskivor och lättbetong

TRZ zamak (zink/aluminium) plugg för infästning i gipsskivor, fibergips och lättbetong. Skruven kan skruvas in direkt i ett lager gips. Föremålet som ska fästas monteras med Ø4,5 mm trä-, gipseller stålskruv.

Yellow electro-galvanized steel

Produktinformation

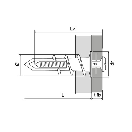
Bilder

Egenskaper

Material

  • zamak (zink/aluminium)

Fördelar

  • ngen förborrning krävs
  • Pluggen monteras med skruvmejsel

Applikationer

Användningsområden

  • Träribbor
  • Gardinstång
  • Metallprofiler

Lämplig för

  • Lättbetong (AAC)
  • Gipsskivor

Teknisk data

Dimensioner

Product Dimensions

Art. nr. Produktreferens Pluggens diameter x längd [ØxL] [mm] Fixturens tjocklek [tfix] [mm] Nominellt infästningsdjup* [hnom] [mm] Min. underlagstjocklek* [hmin] [mm] Skruvdiameter [d] [mm] Skruvlängd [Lv] [mm] Brickans diameter [dr] [mm] Utsparning Qty per box Antal per ytterförpackning Vikt [kg]
7500601303000TRZ13x3010306043514PZ210020000.007

Values refer to installation on compact base materials such as aerated concrete.

Rekommenderade kapaciteter

Art. nr. Produktreferens Pluggens diameter x längd [ØxL] [mm] Rekommenderad kapacitet Installationsdata
Spänning - Nrec [kN] Skärkraft - Vrec [kN] Characteristic edge distance [ccr,N] [mm] Karakteristiskt avstånd (5) - Scr,N [scr,N] [mm]
Prefabricerad betong G4  Gipsskiva 12,5 mm Aerated concrete G4  Plasterboard 12,5 mm
7500601303000TRZ13x300.10.050.20.15050

*These values are for guidance only 

Produktdimension – D.I.Y

Table "Produktdimension – D.I.Y" cannot be displayed : no references available.

Montage

Montage

ZIP-paket

Buy from Distributor

No items available.

Contact

Simpson Strong-Tie Sverige

Simpson Strong-Tie AB

Bruksvägen 2
59375 Gunnebo
Sverige