Enkelt montage då det fjäderbelastade ankaret automatiskt fastnar efter montage i det förborrade hålet.
Applikationer
Användningsområden
El- och VVS-tillbehör
Belysningsarmaturer
Gardinstänger
Lämplig för
Cellblock
Gipsskivor
Skivmaterial
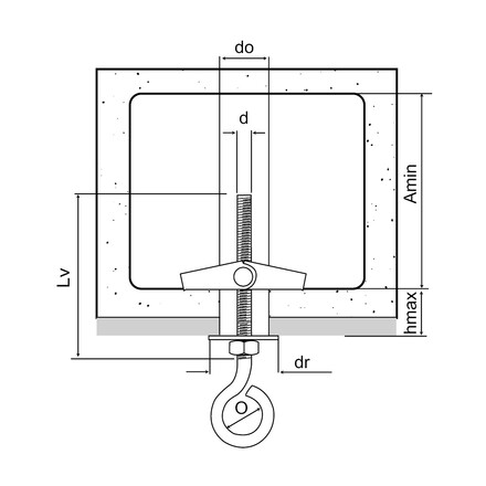
Teknisk data
Dimensioner
Produktdimension – Gängad stång
Art. nr.
Product information
Produktreferens
Hole [Ø]
Gängad stång
Washer [Ø]
Pkg.
Ytterlåda
76115B0810000
AM
20
M8x100
30
20
160
Produktdimension – Koppkrok
Table "Produktdimension – Koppkrok" cannot be displayed : no references available.
Montage
Montage
ZIP-paket
Buy from Distributor
No items available.
Meta Navigation sv-SE
Legal Info
Om Simpson Strong-Tie®
Simpson Strong-Tie levererar produkter och tjänster som hjälper människor att designa och bygga säkrare och starkare konstruktioner.
Som en pionjär inom byggbranschen och världsledande inom strukturella lösningar har vi en oöverträffad passion för problemlösning genom innovation. Vårt engagemang för att utveckla allt bättre byggprodukter och teknologier, samt att ge våra kunder unik service och support har varit vårt uppdrag sedan 1956.