GSA

Justerbar markskruv

Justerbara markskruv (GSATM) är särskilt lämpliga på platser där längden på ett standardskruven inte räcker till. Tack vare det stora utbudet av förlängningsdelar kan man snabbt anpassa sig efter de lokala förhållandena. Justerbara markskruvar är lätta att transportera.

EPD

Produktinformation

Egenskaper

Material

  • Stål S235
    Varmförzinkat stål (EN ISO 1461)

Benefits

  • Inget behov av betong
    Du behöver inte gräva, ta bort jord eller vänta på att betongen ska härda
  • Justerbar längd
    Det finns inga problem med ojämn terräng med dessa justerbara markskruvar. Med GSA kan du lägga till längd på skruvarna för att säkerställa en plan och stabil yta
  • Förlängd installationsperiod
    Installationen av markskruvarna kan göras i alla typer av väder. Du är inte begränsad av temperatur, snö, frost eller regn
  • Spara pengar 
    Installation av en GSA tar bara några minuter. Du kan fortsätta ditt projekt direkt
  • Stabil men flyttbar
    Stenig mark, betong, asfalt, lera eller sand är inget hinder för att montera en markskruv
  • Minskad miljöpåverkan
    Tack vare enkelheten i att flytta dessa markskruvar är det lätt att återanvända dem i andra projekt i framtiden och lämnar marken orörd
  • Enkel hantering
    Markera bara positionen, skruva i GSA och börja sedan bygga. Snabbt och enkelt

Applikationer

Scope

  • För alla dina tillämpningar runt huset – staket, pergolor, växthus, altaner, skjul...
  • Förankring av liggande balkar eller stående stolpar

Teknisk data

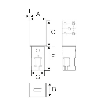
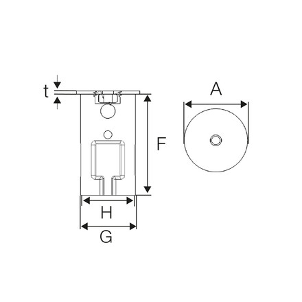
Mått för U-topp

Art. nr. Art. nr. DB nr. NOBB nr. Dimensioner [mm] Hål i toppen Antal per frp. 
A B C F G 10X10 [mm]
GSA-UT80G513022020018546442408070125120Ø65106
GSA-UT100G5130420200195464425510070125120Ø65106

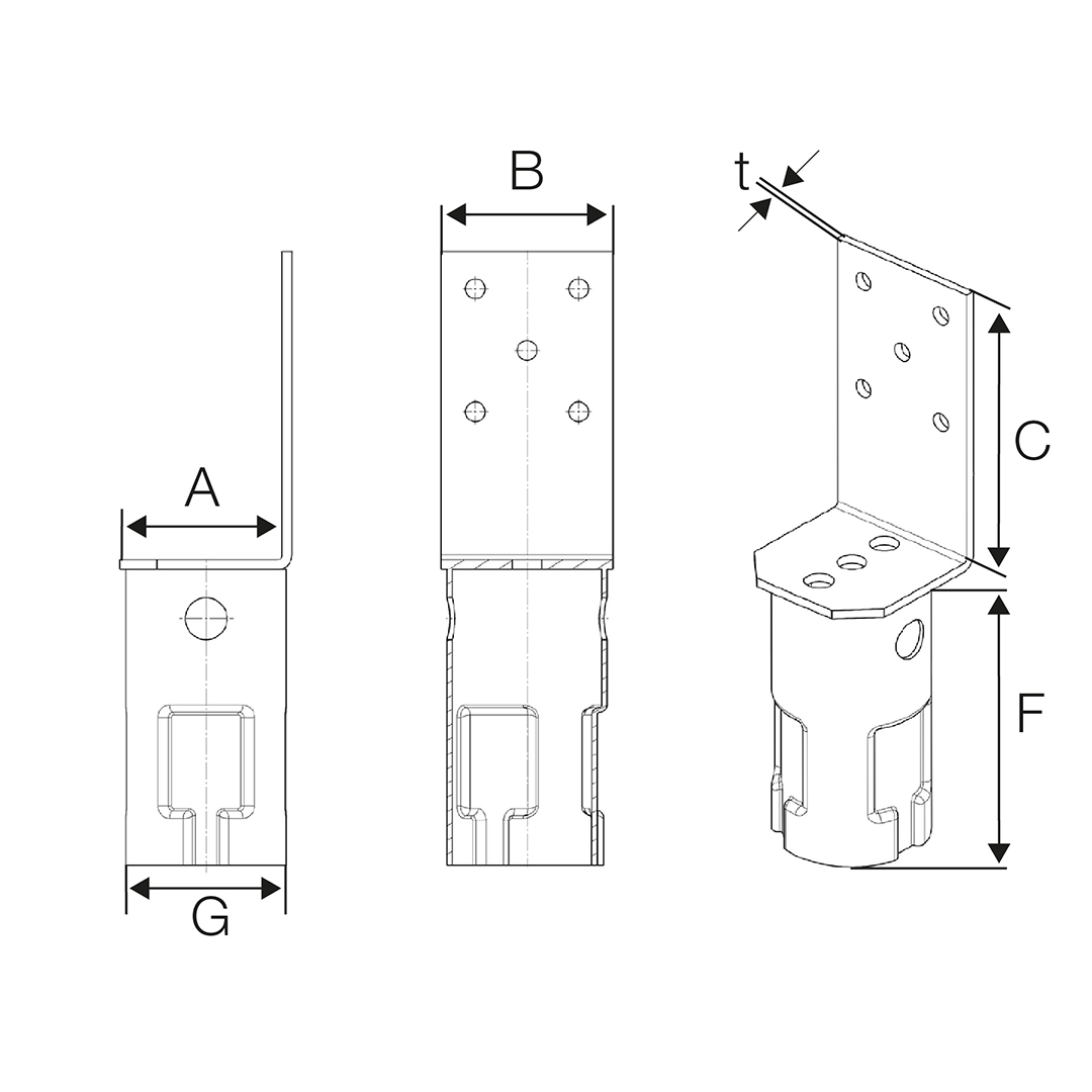
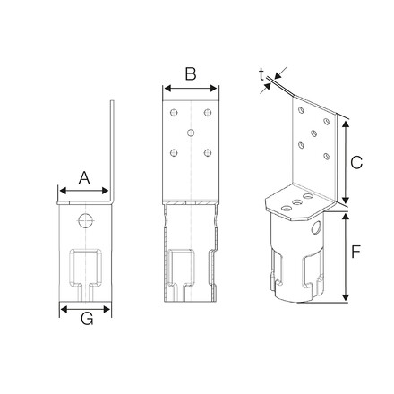
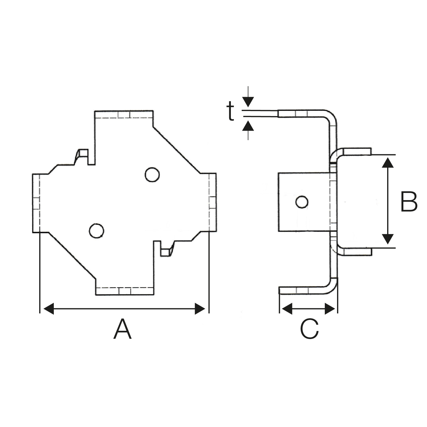
Mått för L-topp

Art. nr. Art. nr. DB nr. NOBB nr. Dimensioner [mm] Hål i toppen Antal per frp. 
A B C F G t Ø7 [mm]
GSA-LT75G513092020023560827557570125120Ø65456

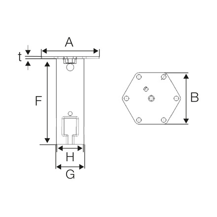
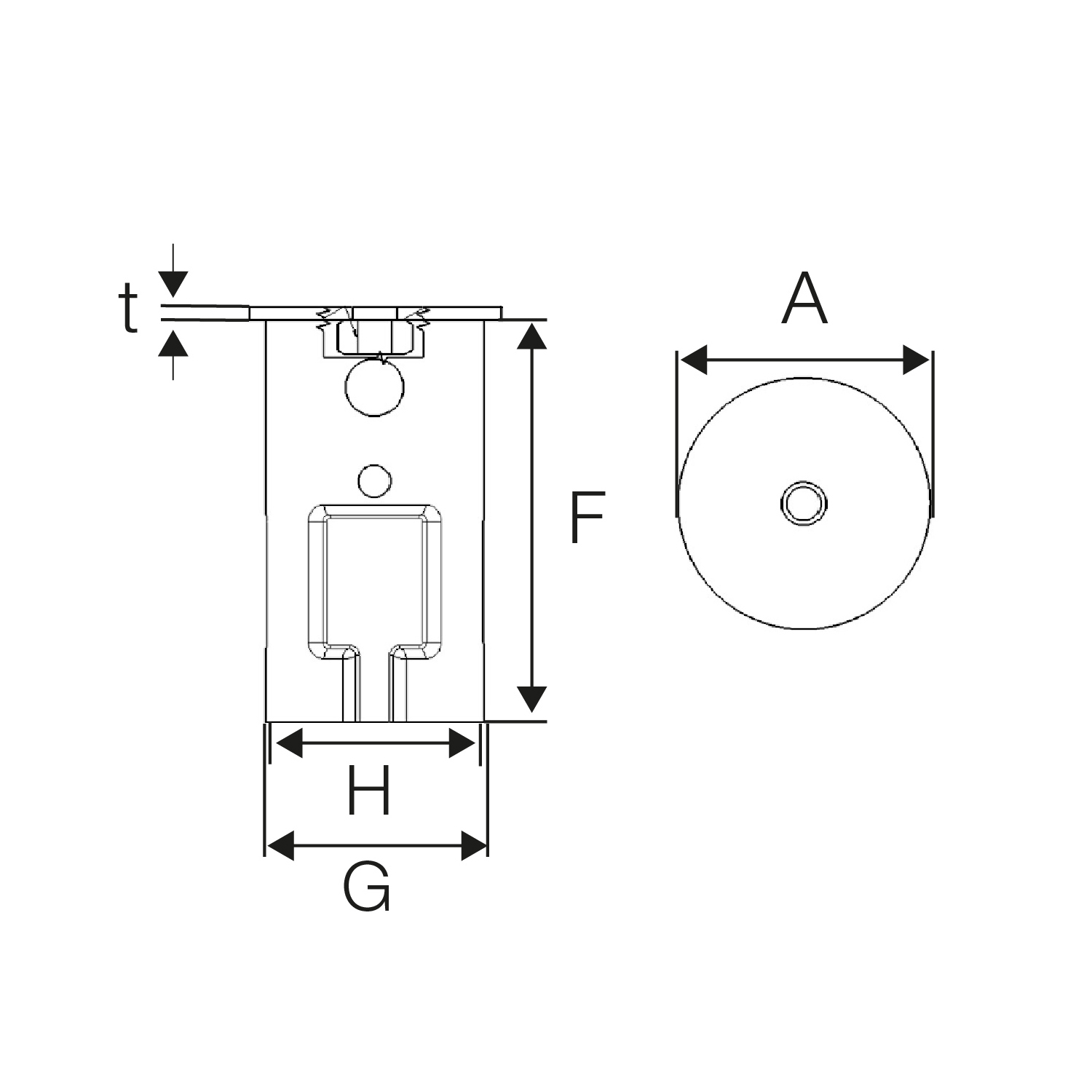
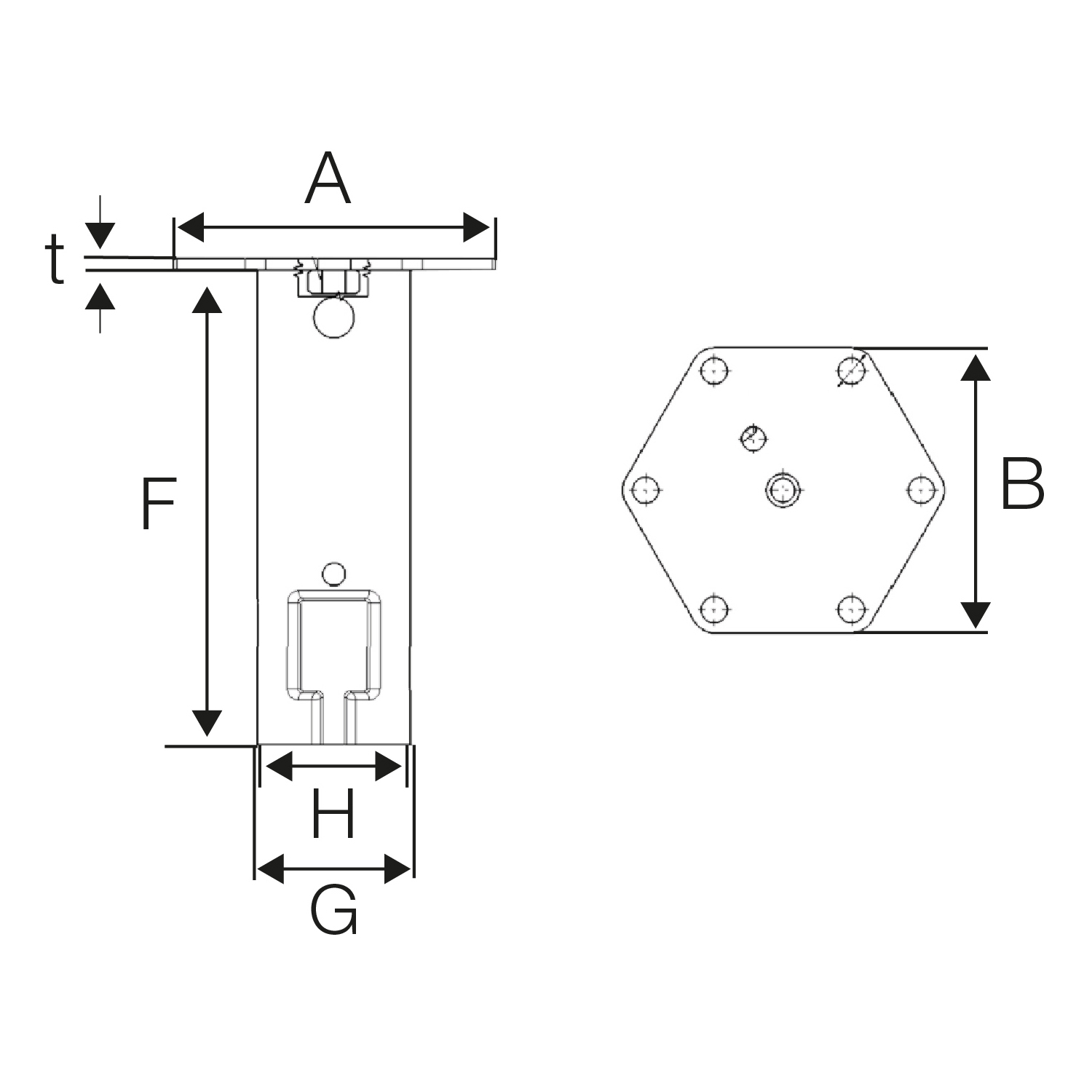
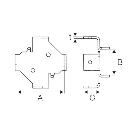
Mått för sexkantig topp

Art. nr. Art. nr. DB nr. NOBB nr. Dimensioner [mm] Hål i toppen Antal per frp. 
A B F G H t Ø11 [mm]
GSA-HT12G51307202002054644266135.5120205Ø65Ø61566

Mått för platt topp

Art. nr. Art. nr. DB nr. NOBB nr. Dimensioner [mm] Antal per frp. 
A F G H t
GSA-FT12G51308202002154644126Ø75120Ø65Ø6146

Mått för lock

Art. nr. Art. nr. DB nr. NOBB nr. Dimensioner [mm] Hål i toppen Antal per frp. 
A B C t Ø5 [mm] Ø6 [mm]
GSA-C75G5140120200245608277473402534212

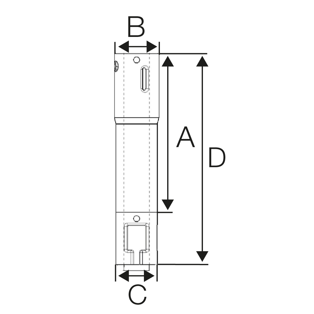
Mått för förlängning

Art. nr. Art. nr. DB nr. NOBB nr. Dimensioner [mm] Antal per frp. 
A B C D t
GSA-EX250G51201202001154644100248Ø70Ø6533026
GSA-EX500G51202202001254644115480Ø70Ø6558026

Mått för skruvspetsar

Art. nr. Art. nr. DB nr. NOBB nr. Dimensioner [mm] Antal per frp. 
A B C D t
GSA-ST600G51102202000356082664600Ø70280Ø6526
GSA-ST700G51103209442155387443700Ø70280Ø6526

Montage

Montage

Installation

Markskruvarna installeras enkelt med verktyg som kan köpas eller lånas på din lokala järnhandel.

  • Installation av DIY-skruvar med manuell nyckel
    Markera positionen med spetsen och använd installationsnyckeln för att vrida skruven medurs i marken. Gängorna vrids automatiskt djupare i marken, vilket resulterar i markkomprimering och därmed hög stabilitet
  • Installation av DIY-skruvar med växellådeset 1:20
    Växellådeset 1:20 teleskopstång är avsedd för installation av GSF och GSA, DIY-markskruvar i naturligt kompakterad jord till ett djup av 1000 mm 

Certifiering

ZIP-paket

Buy from Distributor

No items available.

Contact

Simpson Strong-Tie Sverige

Simpson Strong-Tie AB

Bruksvägen 2
59375 Gunnebo
Sverige