Höghållfast fasadplugg
X3 fasadplugg i Ø8 och Ø10 mm med försänkt huvud kan användas för infästning i betong och murverk.
Produktinformation
Egenskaper
Material
Plugg: nylon
Skruv: elförzinkad
Fördelar
- Hög styrka i de flesta basmaterial
- Godkänd för upp till tre olika sättdjup
- Mångsidiga användningsområden och snabb installation
- Effektiv expansion för höga laster
- Designad för fasader och tunga snickerier
Applikationer
Användningsområden
- Ventilerade fasader
- Stålkonstruktion
- Träsnickeri
Lämplig för
- Osprucken betong
- Mursten och hålsten
- Lättbetong
- Sten
Teknisk data
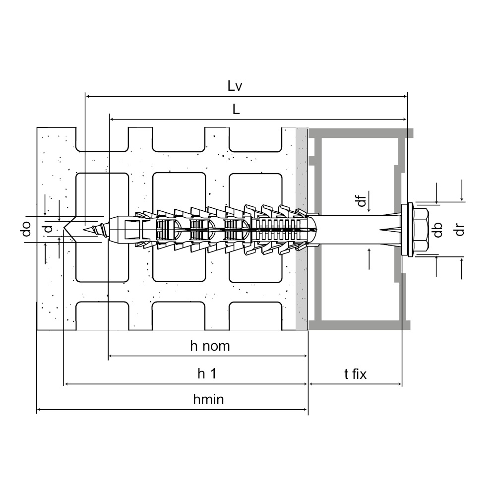
Produktdimension – Senkskruv PZ
(1) Only for aerated concrete
* Not covered by CE certification
Produktdimension – Senkskruv TX
| Art. nr. | Produktreferens | Plug [ØxL] [mm] | Skruv [ØxL] [mm] | Reducerad fästtjocklek [tfix] [mm] | Standardfästets tjocklek [tfix] [mm] | Ökad(1) fixturens tjocklek [tfix] [mm] | Ø borrfixtur [df] [mm] | Bit | Qty per box | Antal per ytterförpackning |
|---|---|---|---|---|---|---|---|---|---|---|
| 64602B0808000 | X3 | 8x80 | 6x88 | 40 | 30 | - | 8.5 | T30 | 50 | 500 |
| 64602B0810000 | 8x100 | 6x108 | 60 | 50 | - | 8.5 | T30 | 50 | 500 | |
| 64602B0812000 | 8x120 | 6x128 | 80 | 70 | - | 8.5 | T30 | 50 | 500 |
(1) Only for aerated concrete
NOTE: The thickness of the plaster must be included in the fixing thickness tfix
Produktdimension – Stor kant Ø18 plugg med sexkantskruv
(1) Only for aerated concrete
* Not covered by CE certification
** Plug only
▲ Quantity and delivery terms to be agreed
NOTE: The thickness of the plaster must be included in the fixing thickness tfix
Produktdimension – D.I.Y – Försänkt PZ-skruv
| Art. nr. | Produktreferens | Plug [ØxL] [mm] | Skruv [ØxL] [mm] | Reducerad fästtjocklek [tfix] [mm] | Standardfästets tjocklek [tfix] [mm] | Ökad(1) fixturens tjocklek [tfix] [mm] | Bit | Antal/blister | Blister/förp. |
|---|---|---|---|---|---|---|---|---|---|
| 64601B08080F2 | X3 | 8x80 | 6x88 | 40 | 30 | - | PZ3 | 4 | 20 |
| 64601B08100F2 | X3 | 8x100 | 6x108 | 60 | 50 | - | PZ3 | 4 | 20 |
| 64601B08120F2 | X3 | 8x120 | 6x128 | 80 | 70 | - | PZ3 | 4 | 20 |
(1) Only for aerated concrete
* Not covered by CE certification
Konstruktionskapacitet – enkel förankring – inga kantavstånd
| Art. nr. | Konstruktionskapacitet – enkel förankring – inga kantavstånd | ||||||||
|---|---|---|---|---|---|---|---|---|---|
| Konstruktionskapacitet | |||||||||
| Spänning - NRd | Shear - VRd | Böjmoment - MRd [Nm] | |||||||
| Icke-sprickbildad betong C12/25 [kN] | Non-cracked concrete C16/20 [kN] | Autoclaved aerated concrete AAC 2 [kN] | Massiv tegelsten (BP400) [kN] | Non-cracked concrete C12/15 [kN] | Non-cracked concrete C16/20 [kN] | Autoclaved aerated concrete AAC 2 [kN] | Solid brick (BP400) [kN] | ||
| 64602B0808000 | 0.65 | 0.83 | - | 1.4 | - | - | - | - | 11.3 |
| 64602B0810000 | 0.65 | 0.83 | - | 1.4 | - | - | - | - | 11.3 |
| 64602B0812000 | 0.65 | 0.83 | - | 1.4 | - | - | - | - | 11.3 |
1. The design loads loads have been calculated using the partial safety factors for resistances stated in ETA-approval(s). The loading figures are valid for unreinforced concrete and reinforced concrete with a rebar spacing s ≥ 15 cm (any diameter) or with a rebar spacing s ≥ 10 cm, if the rebar diameter is 10mm or smaller.
2. The figures for shear are based on a single anchor without influence of concrete edges. For anchorages close to edges (c ≤ max [10 hef; 60d]) the concrete edge failure shall be checked per ETAG 001, Annex C, design method A.
3. Concrete is considered non-cracked when the tensile stress within the concrete is\sigmaL +\sigmaR ≤ 0. In the absence of detailed verification\sigmaR = 3 N/mm² can be assumed (\sigmaL equals the tensile stress within the concrete induced by external loads, anchors loads included).
*Not covered by ETA-11/0080
Rekommenderade kapaciteter – enkel förankring – inga kantavstånd
| Art. nr. | Konstruktionskapacitet – enkel förankring – inga kantavstånd | ||||||||
|---|---|---|---|---|---|---|---|---|---|
| Konstruktionskapacitet | |||||||||
| Spänning - NRd | Shear - VRd | Böjmoment - MRd [Nm] | |||||||
| Icke-sprickbildad betong C12/25 [kN] | Non-cracked concrete C16/20 [kN] | Autoclaved aerated concrete AAC 2 [kN] | Massiv tegelsten (BP400) [kN] | Non-cracked concrete C12/15 [kN] | Non-cracked concrete C16/20 [kN] | Autoclaved aerated concrete AAC 2 [kN] | Solid brick (BP400) [kN] | ||
| 64602B0808000 | 0.65 | 0.83 | - | 1.4 | - | - | - | - | 11.3 |
| 64602B0810000 | 0.65 | 0.83 | - | 1.4 | - | - | - | - | 11.3 |
| 64602B0812000 | 0.65 | 0.83 | - | 1.4 | - | - | - | - | 11.3 |
1. The recommended loads have been calculated using the partial safety factors for resistances stated in ETA-approval(s) and with a partial safety factor for actions of γF=1.4. The loading figures
are valid for unreinforced concrete and reinforced concrete with a rebar spacing s ≥ 15 cm (any diameter) or with a rebar spacing s ≥ 10 cm, if the rebar diameter is 10 mm or smaller.
2. The figures for shear are based on a single anchor without influence of concrete edges. For anchorages close to edges (c ≤ max [10 hef; 60d]) the concrete edge failure shall be checked per
ETAG 001, Annex C, design method A.
3. Concrete is considered non-cracked when the tensile stress within the concrete is\sigmaL +\sigmaR ≤ 0. In the absence of detailed verification\sigmaR = 3 N/mm² can be assumed (\sigmaL equals the tensile stress within the concrete induced by external loads, anchors loads included).
Montage
Montage
Avstånd och kantavstånd
| Art. nr. | Produktreferens | Plug [ØxL] [mm] | Avstånd och kantavstånd | |||||||||||||||
|---|---|---|---|---|---|---|---|---|---|---|---|---|---|---|---|---|---|---|
| Icke-sprickbildad betong C12/15 | Icke-sprickbildad betong C16/20 | Autoclaved aerated concrete AAC 2 [hef] [mm] | Solid brick [ccr,N] [mm] | |||||||||||||||
| Min. edge distance [cmin] [mm] | Min. spacing [smin] [mm] | Characteristic edge distance [ccr,N] [mm] | Minsta stödtjocklek [mm] | Min. kantavstånd [mm] | Min. avstånd [mm] | Characteristic edge distance [mm] | Minimun thickness of support [mm] | Min. edge distance [cmin] [mm] | Min. spacing [smin] [mm] | Characteristic edge distance [scr,N] [mm] | Minsta tjocklek på underlag [mm] | Min. edge distance [cmin] [mm] | Min. spacing [smin] [mm] | Characteristic edge distance [ccr,N] [mm] | Minimun thickness of support [mm] | |||
| 64602B0808000 | X3 | 8x80 | 70 | 85 | 85 | 100 | 50 | 60 | 60 | 100 | 100 | 250 | - | 240 | 100 | 250 | - | 175 |
| 64602B0810000 | X3 | 8x100 | 70 | 85 | 85 | 100 | 50 | 60 | 60 | 100 | 100 | 250 | - | 240 | 100 | 250 | - | 175 |
| 64602B0812000 | X3 | 8x120 | 70 | 85 | 85 | 100 | 50 | 60 | 60 | 100 | 100 | 250 | - | 240 | 100 | 250 | - | 175 |
* Not included in the approval
Installation data
| Art. nr. | Installationsdata | ||
|---|---|---|---|
| Ø drilling hole [d0] [mm] | Min. borrdjup [h1] [mm] | Ø borrfixtur [df] [mm] | |
| 64602B0808000 | 8 | 55 | 8.5 |
| 64602B0810000 | 8 | 55 | 8.5 |
| 64602B0812000 | 8 | 55 | 8.5 |