Betongskruv
VF är en 7,5 mm betongskruv för montage av fönster och dörrar i olika material.
Produktinformation
Egenskaper
Fördelar
- Lämplig för fristående montage
- Möjliggör montage nära kant
- Liten håldiameter
- Förhindra deformation av karmen
Applikationer
Material
- Stål
- Elförzinkad
Användningsområden
- Fönster- och dörrkarmar
- Träprofiler och läkt
Lämplig för
- Osprucken betong
- Mursten
- Hålsten (delvis lämplig)
- Sten (delvis lämplig)
- Trä
- Lättbetong
Teknisk data
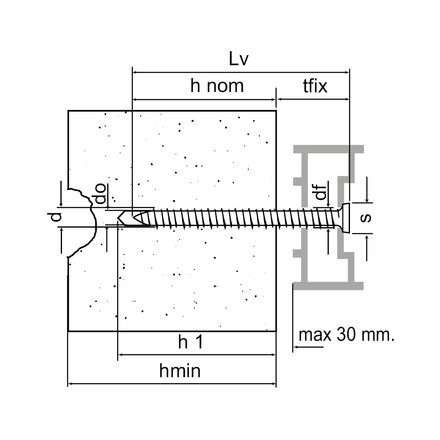
Produktdimension – Senkskruv
| Art. nr. | Produktreferens | Dimensioner [dxLv] [mm] | Hålets diameter [do] [mm] | Hålets diameter i fixturen [df] [mm] | Huvuddiameter [s] [mm] | Nominellt infästningsdjup [hnom] [mm] | Fixturens tjocklek [tfix] (1) [mm] | Min. håldjup [h1>] [mm] | Min. stödtjocklek [hmin] [mm] | Bit | Qty per box | Antal per ytterförpackning |
|---|---|---|---|---|---|---|---|---|---|---|---|---|
| 19419B0706000 | VF | Ø7,5x60 | 6 | 6.2 | 11.5 | 30 | 30 | 40 | 60 | T-30 | 100 | 800 |
| 19419B0707000 | Ø7,5x70 | 6 | 6.2 | 11.5 | 30 | 40 | 40 | 60 | T-30 | 100 | 800 | |
| 19419B0709000 | Ø7,5x90 | 6 | 6.2 | 11.5 | 30 | 60 | 40 | 60 | T-30 | 100 | 800 | |
| 19419B0710000 | Ø7,5x100 | 6 | 6.2 | 11.5 | 30 | 70 | 40 | 60 | T-30 | 100 | 800 | |
| 19419B0713500 | Ø7,5x135 | 6 | 6.2 | 11.5 | 30 | 105 | 40 | 60 | T-30 | 100 | 600 | |
| 19419B0715000 | Ø7,5x150 | 6 | 6.2 | 11.5 | 30 | 120 | 40 | 60 | T-30 | 100 | 600 | |
| 19419B0718000 | Ø7,5x180 | 6 | 6.2 | 11.5 | 30 | 150 | 40 | 60 | T-30 | 100 | 400 |
(1) Max fixing thickness refers to installation on concrete
* Size not covered by CE certification
Rekommenderade laster / för enkelankare 1)
| Art. nr. | Produktreferens | Dimensioner [dxLv] [mm] | Rekommenderade belastningar 1) för enkelankare | ||||||||
|---|---|---|---|---|---|---|---|---|---|---|---|
| Betong C20/25 2) |
Massiv tegelsten 2) fbk ≥ 20 N/mm2 |
Bikaketegel (Bimattone) 2) fbk ≥ 10 N/mm2 |
Furu 3) ρk = 450 kg/m3 | Max vridmoment 5) [Tmax] [Nm] | |||||||
| Nrec [kN] | Vrec [kN] | Nrec [kN] | Vrec [kN] | Nrec [kN] | Vrec [kN] | Nrec [kN] | Vrec [kN] | ||||
| 19419B0709000 | VF | Ø7,5x90 | 1.5 | 1.5 | 1.3 | 1.5 | 0.1 | 0.3 | 1.1 | - | 20 |
| 19419B0710000 | VF | Ø7,5x100 | 1.5 | 1.5 | 1.3 | 1.5 | 0.1 | 0.3 | 1.1 | - | 20 |
| 19419B0713500 | VF | Ø7,5x135 | 1.5 | 1.5 | 1.3 | 1.5 | 0.1 | 0.3 | 1.1 | - | 20 |
| 19419B0715000 | VF | Ø7,5x150 | 1.5 | 1.5 | 1.3 | 1.5 | 0.1 | 0.3 | 1.1 | - | 20 |
| 19419B0718000 | VF | Ø7,5x180 | 1.5 | 1.5 | 1.3 | 1.5 | 0.1 | 0.3 | 1.1 | - | 20 |
1)The allowable loads Nzul / Vzul were determined from the average values of the breaking loads, taking into account a safety factor γ = 4 (γ = 5 for vertically perforated bricks). Design and dimensioning
shall be carried out in accordance with the Friulsider design guide.
2) Anchoring base without plaster layer.
concrete: hnom = 30mm
solid masonry: hnom = 40mm
honycomb brick (Bimattone): hnom = 60mm
3) Pine wood average gross density ρk = 450 kg/m3 / moisture content approx. 12 % / fiber direction α > 30°.
Pine wood: hnom = 40mm
5) The installation torque must be adjusted according to the type of installation and the anchoring base.